Поздравляем Сергея Николаевича Долю и Виктора Ивановича Смирнова с получением патента на изобретение!
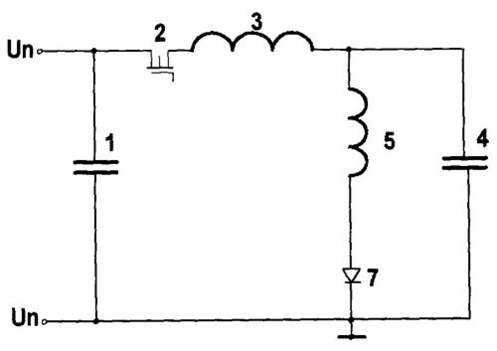
Устройство для резонансного заряда конденсатора относится к области электротехники и преобразовательной техники и может применяться для питания импульсных нагрузок. Изобретение решает техническую задачу заряда конденсатора до напряжения, в несколько раз превышающего напряжение источника питания, и сокращения времени заряда. Устройство включает источник питания, последовательно подключенный к нему транзистор, индуктивность и конденсатор. Параллельно конденсатору подключены перезарядная индуктивность и диод. Благодаря перезаряду конденсатора до напряжения противоположного знака амплитуды тока заряда от цикла к циклу возрастают по величине, тем самым от цикла к циклу увеличивается энергия, передаваемая конденсатору, и сокращается время заряда конденсатора.
Подробнее: https://new.fips.ru/registers-doc-view/fips_servlet?DB=RUPAT&DocNumber=2770864&TypeFile=html




