Патент Сергея Николаевича Доли и Виктора Ивановича Смирнова вошел в 100 лучших изобретений России за второе полугодие 2020 года
С 2007 года Роспатент и Федеральный институт промышленной собственности (ФИПС) ежегодно отбирают 100 лучших изобретений года. Эксперты отраслевых отделов ФИПС в течение года отбирают изобретения в базу данных "Перспективные изобретения", отмечая их наивысшим баллом. Затем комиссия по отбору 100 лучших изобретений России, состоящая из заведующих отраслевыми экспертными отделами и возглавляемая директором ФИПС, утверждает список лучших изобретений и рекомендует его к обнародованию. Патентообладатели лучших изобретений награждаются дипломами Роспатента, что является высочайшим признанием профессионалов Национальной патентной службы России.
Подробнее об изобретении
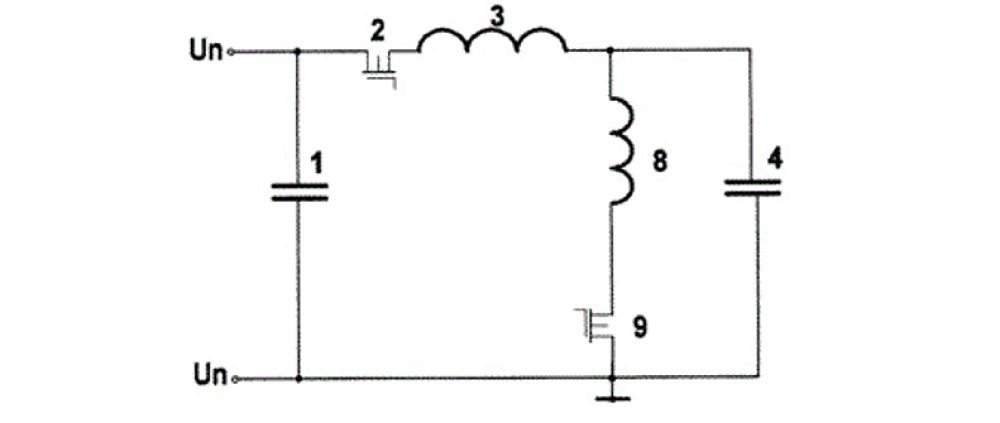
Устройство для резонансного заряда конденсатора относится к области электротехники и преобразовательной техники и может применяться для питания импульсных нагрузок. Изобретение решает техническую задачу заряда конденсатора до напряжения, в несколько раз превышающего напряжение источника питания, и сокращения времени заряда. Устройство включает источник питания, последовательно подключенный к нему транзистор, индуктивность и конденсатор. Параллельно конденсатору подключены перезарядная индуктивность и ограничивающий транзистор. Благодаря перезаряду конденсатора до напряжения противоположного знака, амплитуды тока заряда от цикла к циклу возрастают по величине и тем самым от цикла к циклу увеличивается энергия, передаваемая конденсатору, и сокращается время заряда конденсатора.

Экономический эффект и готовность к использованию:
Суперконденсаторы с использованием новой технологии в скором времени планируется применять в составе схем, где необходим мгновенный максимум мощности. Например, в автомобильных или локомотивных стартерах. Или там, где нужна бесперебойная подача энергии на одном уровне: в серверных комнатах или хранилищах больших данных. Экономический эффект достигается за счет использования менее мощных и более доступных источников питания.
Комментарий Роспатента:
Технология позволяет суперконденсаторам моментально выдавать напряжение в несколько раз большее, чем на источнике питания! Техническое решение предусматривает, что в устройстве для резонансного заряда используется два колебательных контура — один в составе другого, на которые попеременно подается ток. Возможность повышения заряда достигается с помощью заданного колебания величины тока, а также за счѐт смены полярности в заряжаемом конденсаторе.
Читайте также:
Интервью с авторами патента Виктором Смирновым и Сергеем Долей




